Anemostat uniwersalny śr. 150 biały

https://prolexnysa.pl/web/image/product.template/4539/image_1920?unique=c56c967

Anemostat uniwersalny śr. 150 biały

Stosowane jako kratki do wentylacji w wewnętrznych ciągach wentylacyjnych, sufitach podwieszanych oraz do wentylacji na zewnątrz budynku jako kratki uniwersalne. Zalecane do montażu w rury spiro i do innych systemów wentylacyjnych. Pakowane w woreczki z zawieszkami euro.

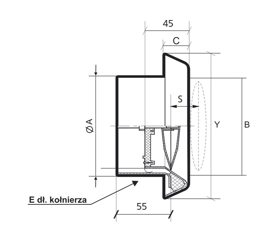
Wymiary:
Y: 215mm
B: 128mm
C: 24mm
A: 147mm
E: 45mm

33,42 zł 33.42 PLN 33,42 zł netto

33,42 zł netto

Not Available For Sale

Ta kombinacja nie istnieje.


Odnośnik wewnętrzny: KR 04403 OW 39 BI

Ilość na stanie

Jednostka miary: szt.